Оберіть автомобіль для точного підбору запчастин
Ваш гараж порожній
Натисніть «Додати автомобіль», щоб обрати авто

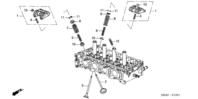
Сідло пружини клапана ГРМ (14775PRBA00)

  • Артикул 14775-PRB-A00
  • Виробник Honda
  • Вага 0.0136667 кг
Доступна Оплата частинами на 4 платежі від Монобанк

МІНІМАЛЬНИЙ СТРОК

Склад: UHJO США
Доставка: 16.06.2026 -
Наявність: 20 шт.
364 грн

Мінімальна ціна

Склад: OYOC ОАЕ
Доставка: 03.09.2026 -
Наявність: 20 шт.
147 грн
Сідло пружини клапана ГРМ (14775-PRB-A00) - оригінальна запчастина для автомобілів Honda. Це важлива деталь, яка встановлюється в системі газорозподілу для стабільного функціонування клапанів. Забезпечує правильне положення пружини, запобігаючи її перекосам. Виготовлено з високоякісних матеріалів, забезпечуючи тривалу роботу двигуна та високу надійність. Оригінальний продукт з маркуванням Honda, гарантуючий сумісність та відмінну якість.
Загальний рейтинг

Ще немає відгуків

Меню
(097) 528-45-78