Оберіть автомобіль для точного підбору запчастин
Ваш гараж порожній
Натисніть «Додати автомобіль», щоб обрати авто

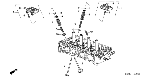
Клапан впускний (14711PRBA01)

  • Артикул 14711-PRB-A01
  • Виробник Honda
  • Вага 0.05 кг
Доступна Оплата частинами на 4 платежі від Монобанк

МІНІМАЛЬНИЙ СТРОК

Склад: RGOF Молдова
Доставка: 23.05.2026 -
Наявність: 2 шт.
1 253 грн

Мінімальна ціна

Склад: UZIZ ОАЕ
Доставка: 03.09.2026 -
Наявність: 20 шт.
970 грн
Клапан впускний Honda (14711-PRB-A01) - це оригінальна запчастина, яка ідеально підходить для автомобілів Honda. Він відповідає всім стандартам якості та довго служить. Клапан забезпечує правильне впускання повітря до двигуна, що підвищує його продуктивність та паливну ефективність. Замовляйте оригінальні запчастини Honda для надійного та оптимального функціонування вашого автомобіля.
Клапан впускний (14711PRBA00)
HONDA/ACURA 14711PRBA00 14711-PRB-A01
Клапан впускний (14711PRBA00)
8 пропозицій · від 1 404 грн · 0.048 кг
Загальний рейтинг

Ще немає відгуків

Меню
(097) 528-45-78