Про нас
Доставка та оплата
Блог
(097) 528-45-78
КАТАЛОГ ТОВАРІВ
Категорії товарів
Запчастини для ТО
Двигун
Трансмісія
Гальмівна система
Рульове керування
Запчастини для ТО
Олива моторна
Трансмісійна олива
Рідина гідравлічна
Фільтри
Інші запчастини для ТО
Свічки запалювання
Двигун
Система запалювання
Система випуску
Паливна система
Система впуску
Система охолодження
Система мащення
Кріплення двигуна
Головка блока циліндрів
Блок циліндрів
Трансмісія
Трансмісія у зборі
Картер трансмісії
Підшипник трансмісії
Сальник первинного валу
Сальник піввісі
Бокова кришка трансмісії
Прокладка кришки трансмісії
Датчик режиму роботи трансмісії
Електромагнітний клапан трансмісії
Датчик обертання вала трансмісії
Датчик тиску оливи трансмісії
Прокладка електромагнітного кланана трансмісії
Роздатка
Карданний вал
Задній редуктор
Гальмівна система
Супорт гальмівний передній
Супорт гальмівний задній
Педаль гальма
Датчик педалі гальма
Накладка педалі гальма
Підсилювач гальм
Трубка вакуумного підсилювача гальма
Блок ABS
Шланг гальмівний передній
Шланг гальмівний задній
Трос стоянкового гальма
Датчик ABS
Колодки гальмівні передні
Колодки гальмівні задні
Диск гальмівний передній
Диск гальмівний задній
Головний гальмівний циліндр
Рульове керування
Шланг ГПК
Рульове колесо
Рульова колонка
Рульова рейка
Наконечник рульової тяги
Рульова тяга
Пильовик рульової рейки
Хомут пильовика рульової рейки
Пильовик наконечника рульової тяги
Шайба дистанційна рульової рейки
Стопорна шайба рульової тяги
Насос ГПК
Радіатор системи ГПК Honda
Олива моторна
Олива Дизель
Олива 5W-40
Олива 5W-30
Олива 0W-16
Олива 0W-20
Олива 5W-20
Олива Гібрид
Трансмісійна олива
Олива в задній редуктор
Олива в роздатку
Олива для АКПП
Олива для CVT (варіатор)
Олива для МКПП
Рідина гідравлічна
Охолоджуюча рідина
Рідина ГПК
Гальмівна рідина
Фільтри
Фільтр трансмісії
Фільтр масляний
Фільтр салону
Фільтр паливний
Фільтр повітряний
Система запалювання
Котушка запалювання
Датчик положення колінчастого вала
Датчик положення розподільного вала
Система випуску
Датчик концентрації кисню (I)
Випускний колектор
Прокладка випускного колектора
Датчик концентрації кисню (II)
Каталізатор
Резонатор випускної системи
Глушник
Ущільнюючі елементи випускної труби
Кріплення випускної труби
Термозахист випускної труби
Декоративна насадка глушника
Труба випускної системи
Інші запчастини системи випуску
Клапан EGR
Прокладка EGR
Паливна система
Паливний бак
Паливний насос у зборі
Регулятор тиску палива
Патрубок заливної горловини
Паливозаливна трубка
Кришка паливозаливної горловини
Уловлювач парів бензину
Клапан системи вентиляції паливного бака
Паливна форсунка
Паливна рампа
Паливний насос високого тиску
Паливна трубка
Датчик рівня палива
Система впуску
Впускний колектор
Прокладка впускного колектора
Патрубок повітряного фільтра
Верхній корпус повітряного фільтра
Нижній корпус повітряного фільтра
Резонатор системи впуску
Дросельна заслінка
Турбокомпресор
Прокладка дросельної заслінки
Система охолодження
Корпус термостата
Насос системи охолодження
Термостат
Ущільнююче кільце термостата
Прокладка корпусу термостата
Радіатор системи охолодження двигуна
Крильчатка вентилятора охолодження
Двигун вентилятора охолодження
Дифузор вентилятора охолодження
Пробка заливної горловини радіатора
Розширювальний бачок
Патрубки системи охолодження
Система мащення
Насос оливний
Маслозабірник
Прокладка корпуса масляного насоса
Прокладка маслозабірника
Корпус масляного фільтра
Прокладка корпуса масляного фільтра
Щуп оливи двигуна
Кріплення двигуна
Опора двигуна задня
Опора двигуна права
Опора двигуна передня
Штанга реактивна права
Головка блока циліндрів
Газорозподільний механізм
Клапанна кришка та комплектуючі
Прокладка головки блока циліндрів
Комплект прокладок головки блока
Клапан VTEC
Прокладка клапана VTEC
Датчик тиску масла клапана VTEC
Клапан VCM
Блок циліндрів
Кривошипно-шатунний механізм
Піддон двигуна
Зливна пробка двигуна
Комплект прокладок блока циліндрів
Супорт гальмівний передній
Супорт гальмівний передній у зборі
Ремкомплект переднього гальмівного супорта
Поршень переднього гальмівного супорта
Направляюча переднього гальмівного супорта
Пластина переднього гальмівного супорта
Супорт гальмівний задній
Супорт гальмівний задній у зборі
Ремкомплект заднього гальмівного супорта
Поршень заднього гальмівного супорта
Направляюча заднього гальмівного супорта
Пластина заднього гальмівного супорта
Шланг ГПК
Шланг високого тиску ГПК
Шланг низького тиску ГПК
Вхід
Мій кабінет
Вхід в кабінет
Email
Пароль
Забули пароль?
Корзина
Корзина покупок
товарів
Корзина порожня
Додайте товари до корзини
Артикул:
Бренд:
Наявність:
шт
Склад:
Доставимо:
Повернення:
Всього:
Переглянути
Оформити
Видалити товар
Ви дійсно хочете видалити цей товар з корзини?
Головна
Запчастини до автомобілів
Двигун
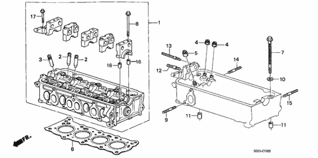
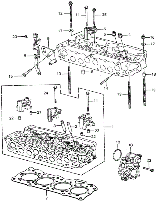
Головка блока циліндрів
Газорозподільний механізм
Сальник випускного клапана
Сальник випускного клапана Honda/Acura
Каталог товарів
Запчастини для ТО
Олива моторна
Олива Дизель
Олива 5W-40
Олива 5W-30
Олива 0W-16
Олива 0W-20
Олива 5W-20
Олива Гібрид
Трансмісійна олива
Олива в задній редуктор
Олива в роздатку
Олива для АКПП
Олива для CVT (варіатор)
Олива для МКПП
Рідина гідравлічна
Охолоджуюча рідина
Рідина ГПК
Гальмівна рідина
Фільтри
Фільтр трансмісії
Фільтр масляний
Фільтр салону
Фільтр паливний
Фільтр повітряний
Інші запчастини для ТО
Свічки запалювання
Двигун
Система запалювання
Котушка запалювання
Датчик положення колінчастого вала
Датчик положення розподільного вала
Система випуску
Датчик концентрації кисню (I)
Випускний колектор
Прокладка випускного колектора
Датчик концентрації кисню (II)
Каталізатор
Резонатор випускної системи
Глушник
Ущільнюючі елементи випускної труби
Кріплення випускної труби
Термозахист випускної труби
Декоративна насадка глушника
Труба випускної системи
Інші запчастини системи випуску
Клапан EGR
Прокладка EGR
Паливна система
Паливний бак
Паливний насос у зборі
Регулятор тиску палива
Патрубок заливної горловини
Паливозаливна трубка
Кришка паливозаливної горловини
Уловлювач парів бензину
Клапан системи вентиляції паливного бака
Паливна форсунка
Паливна рампа
Паливний насос високого тиску
Паливна трубка
Датчик рівня палива
Система впуску
Впускний колектор
Прокладка впускного колектора
Патрубок повітряного фільтра
Верхній корпус повітряного фільтра
Нижній корпус повітряного фільтра
Резонатор системи впуску
Дросельна заслінка
Турбокомпресор
Прокладка дросельної заслінки
Система охолодження
Корпус термостата
Насос системи охолодження
Термостат
Ущільнююче кільце термостата
Прокладка корпусу термостата
Радіатор системи охолодження двигуна
Крильчатка вентилятора охолодження
Двигун вентилятора охолодження
Дифузор вентилятора охолодження
Пробка заливної горловини радіатора
Розширювальний бачок
Патрубки системи охолодження
Система мащення
Насос оливний
Маслозабірник
Прокладка корпуса масляного насоса
Прокладка маслозабірника
Корпус масляного фільтра
Прокладка корпуса масляного фільтра
Щуп оливи двигуна
Кріплення двигуна
Опора двигуна задня
Опора двигуна права
Опора двигуна передня
Штанга реактивна права
Головка блока циліндрів
Газорозподільний механізм
Клапанна кришка та комплектуючі
Прокладка головки блока циліндрів
Комплект прокладок головки блока
Клапан VTEC
Прокладка клапана VTEC
Датчик тиску масла клапана VTEC
Клапан VCM
Блок циліндрів
Кривошипно-шатунний механізм
Піддон двигуна
Зливна пробка двигуна
Комплект прокладок блока циліндрів
Трансмісія
Трансмісія у зборі
Картер трансмісії
Підшипник трансмісії
Сальник первинного валу
Сальник піввісі
Бокова кришка трансмісії
Прокладка кришки трансмісії
Датчик режиму роботи трансмісії
Електромагнітний клапан трансмісії
Датчик обертання вала трансмісії
Датчик тиску оливи трансмісії
Прокладка електромагнітного кланана трансмісії
Роздатка
Карданний вал
Задній редуктор
Гальмівна система
Супорт гальмівний передній
Супорт гальмівний передній у зборі
Ремкомплект переднього гальмівного супорта
Поршень переднього гальмівного супорта
Направляюча переднього гальмівного супорта
Пластина переднього гальмівного супорта
Супорт гальмівний задній
Супорт гальмівний задній у зборі
Ремкомплект заднього гальмівного супорта
Поршень заднього гальмівного супорта
Направляюча заднього гальмівного супорта
Пластина заднього гальмівного супорта
Педаль гальма
Датчик педалі гальма
Накладка педалі гальма
Підсилювач гальм
Трубка вакуумного підсилювача гальма
Блок ABS
Шланг гальмівний передній
Шланг гальмівний задній
Трос стоянкового гальма
Датчик ABS
Колодки гальмівні передні
Колодки гальмівні задні
Диск гальмівний передній
Диск гальмівний задній
Головний гальмівний циліндр
Рульове керування
Шланг ГПК
Шланг високого тиску ГПК
Шланг низького тиску ГПК
Рульове колесо
Рульова колонка
Рульова рейка
Наконечник рульової тяги
Рульова тяга
Пильовик рульової рейки
Хомут пильовика рульової рейки
Пильовик наконечника рульової тяги
Шайба дистанційна рульової рейки
Стопорна шайба рульової тяги
Насос ГПК
Радіатор системи ГПК Honda
Сортування:
Ціна (від дорогих до дешевих)
Ціна (від дешевих до дорогих)
Алфавіт (за зменшенням)
Алфавіт (за зростанням)
Нові
Старі
Показати:
10
12
20
30
40
50
Зо
Артикул
Товар
Ціна
Honda
12211-PH7-004
Сальник випускного клапана (12211-PH7-004)
Honda
12211-RE2-E01
Сальник випускного клапана (12211-RE2-E01)
Honda
12211-PZ1-004
Сальник випускного клапана (12211-PZ1-004)
Honda
12211-PZ1-003
Сальник випускного клапана (12211-PZ1-003)
Honda
12211-PT2-004
Сальник випускного клапана (12211-PT2-004)
Honda
12211-PT2-003
Сальник випускного клапана (12211-PT2-003)
Honda
12211-PLZ-D00
Сальник випускного клапана (12211-PLZ-D00)
Honda
12211-PJ7-013
Сальник випускного клапана (12211-PJ7-013)
Honda
12211-PJ7-004
Сальник випускного клапана (12211-PJ7-004)
Honda
12211-PJ7-003
Сальник випускного клапана (12211-PJ7-003)
Honda
12211-689-013
Сальник випускного клапана (12211-689-013)
Honda
12211-PH7-003
Сальник випускного клапана (12211-PH7-003)
1
(current)
2
Меню
Головна
Каталог
Каталог
Запчастини для ТО
Двигун
Трансмісія
Гальмівна система
Рульове керування
Запчастини для ТО
Олива моторна
Трансмісійна олива
Рідина гідравлічна
Фільтри
Інші запчастини для ТО
Свічки запалювання
Олива моторна
Олива Дизель
Олива 5W-40
Олива 5W-30
Олива 0W-16
Олива 0W-20
Олива 5W-20
Олива Гібрид
Олива Дизель
Олива Green Diesel Oil
Олива Дизель 0W-30
Олива Green Diesel Oil
Олива Дизель 0W-30
Олива 5W-40
Олива 5W-30
Олива 0W-16
Олива 0W-20
Олива 5W-20
Олива Гібрид
Трансмісійна олива
Олива в задній редуктор
Олива в роздатку
Олива для АКПП
Олива для CVT (варіатор)
Олива для МКПП
Олива в задній редуктор
Олива в роздатку
Олива для АКПП
Олива для CVT (варіатор)
Олива для МКПП
Рідина гідравлічна
Охолоджуюча рідина
Рідина ГПК
Гальмівна рідина
Охолоджуюча рідина
Рідина ГПК
Гальмівна рідина
Фільтри
Фільтр трансмісії
Фільтр масляний
Фільтр салону
Фільтр паливний
Фільтр повітряний
Фільтр трансмісії
Фільтр трансмісії грубої очистки
Фільтр трансмісії тонкої очистки
Фільтр трансмісії грубої очистки
Фільтр трансмісії тонкої очистки
Фільтр масляний
Фільтр салону
Фільтр паливний
Фільтр повітряний
Інші запчастини для ТО
Свічки запалювання
Двигун
Система запалювання
Система випуску
Паливна система
Система впуску
Система охолодження
Система мащення
Кріплення двигуна
Головка блока циліндрів
Блок циліндрів
Система запалювання
Котушка запалювання
Датчик положення колінчастого вала
Датчик положення розподільного вала
Котушка запалювання
Датчик положення колінчастого вала
Датчик положення розподільного вала
Система випуску
Датчик концентрації кисню (I)
Випускний колектор
Прокладка випускного колектора
Датчик концентрації кисню (II)
Каталізатор
Резонатор випускної системи
Глушник
Ущільнюючі елементи випускної труби
Кріплення випускної труби
Термозахист випускної труби
Декоративна насадка глушника
Труба випускної системи
Інші запчастини системи випуску
Клапан EGR
Прокладка EGR
Датчик концентрації кисню (I)
Випускний колектор
Прокладка випускного колектора
Датчик концентрації кисню (II)
Каталізатор
Резонатор випускної системи
Глушник
Ущільнюючі елементи випускної труби
Кріплення випускної труби
Термозахист випускної труби
Декоративна насадка глушника
Труба випускної системи
Інші запчастини системи випуску
Клапан EGR
Прокладка EGR
Паливна система
Паливний бак
Паливний насос у зборі
Регулятор тиску палива
Патрубок заливної горловини
Паливозаливна трубка
Кришка паливозаливної горловини
Уловлювач парів бензину
Клапан системи вентиляції паливного бака
Паливна форсунка
Паливна рампа
Паливний насос високого тиску
Паливна трубка
Датчик рівня палива
Паливний бак
Паливний насос у зборі
Регулятор тиску палива
Патрубок заливної горловини
Паливозаливна трубка
Кришка паливозаливної горловини
Уловлювач парів бензину
Клапан системи вентиляції паливного бака
Паливна форсунка
Паливна рампа
Паливний насос високого тиску
Паливна трубка
Датчик рівня палива
Система впуску
Впускний колектор
Прокладка впускного колектора
Патрубок повітряного фільтра
Верхній корпус повітряного фільтра
Нижній корпус повітряного фільтра
Резонатор системи впуску
Дросельна заслінка
Турбокомпресор
Прокладка дросельної заслінки
Впускний колектор
Прокладка впускного колектора
Патрубок повітряного фільтра
Верхній корпус повітряного фільтра
Нижній корпус повітряного фільтра
Резонатор системи впуску
Дросельна заслінка
Турбокомпресор
Прокладка дросельної заслінки
Система охолодження
Корпус термостата
Насос системи охолодження
Термостат
Ущільнююче кільце термостата
Прокладка корпусу термостата
Радіатор системи охолодження двигуна
Крильчатка вентилятора охолодження
Двигун вентилятора охолодження
Дифузор вентилятора охолодження
Пробка заливної горловини радіатора
Розширювальний бачок
Патрубки системи охолодження
Корпус термостата
Насос системи охолодження
Термостат
Ущільнююче кільце термостата
Прокладка корпусу термостата
Радіатор системи охолодження двигуна
Крильчатка вентилятора охолодження
Двигун вентилятора охолодження
Дифузор вентилятора охолодження
Пробка заливної горловини радіатора
Розширювальний бачок
Патрубки системи охолодження
Система мащення
Насос оливний
Маслозабірник
Прокладка корпуса масляного насоса
Прокладка маслозабірника
Корпус масляного фільтра
Прокладка корпуса масляного фільтра
Щуп оливи двигуна
Насос оливний
Маслозабірник
Прокладка корпуса масляного насоса
Прокладка маслозабірника
Корпус масляного фільтра
Прокладка корпуса масляного фільтра
Щуп оливи двигуна
Кріплення двигуна
Опора двигуна задня
Опора двигуна права
Опора двигуна передня
Штанга реактивна права
Опора двигуна задня
Опора двигуна права
Опора двигуна передня
Штанга реактивна права
Головка блока циліндрів
Газорозподільний механізм
Клапанна кришка та комплектуючі
Прокладка головки блока циліндрів
Комплект прокладок головки блока
Клапан VTEC
Прокладка клапана VTEC
Датчик тиску масла клапана VTEC
Клапан VCM
Газорозподільний механізм
Ланцюг ГРМ
Заспокоювач ланцюга ГРМ
Натяжний пристрій ланцюга ГРМ
Шестірня розподільного валу ГРМ
Ремінь ГРМ
Ролик ременя ГРМ
Натяжний пристрій ременя ГРМ
Розподільний вал
Клапан впускний
Клапан випускний
Пружина клапана
Сідло пружини клапана
Тарілка пружини клапана
Сухар клапана
Коромисло впускного клапана
Коромисло випускного клапана
Пружина коромисла клапана
Сальник впускного клапана
Сальник випускного клапана
Привідний пристрій системи VTC
Ланцюг ГРМ
Заспокоювач ланцюга ГРМ
Натяжний пристрій ланцюга ГРМ
Шестірня розподільного валу ГРМ
Ремінь ГРМ
Ролик ременя ГРМ
Натяжний пристрій ременя ГРМ
Розподільний вал
Клапан впускний
Клапан випускний
Пружина клапана
Сідло пружини клапана
Тарілка пружини клапана
Сухар клапана
Коромисло впускного клапана
Коромисло випускного клапана
Пружина коромисла клапана
Сальник впускного клапана
Сальник випускного клапана
Привідний пристрій системи VTC
Клапанна кришка та комплектуючі
Прокладка клапанної кришки
Комплект прокладок клапанної кришки
Ущільнювач свічного отвору
Кришка маслозаливного отвору
Клапанна кришка
Шайба з ущільнювачем кришки ГБЦ
Декоративна накладка клапанної кришки
Клапан вентиляції картера
Прокладка клапанної кришки
Комплект прокладок клапанної кришки
Ущільнювач свічного отвору
Кришка маслозаливного отвору
Клапанна кришка
Шайба з ущільнювачем кришки ГБЦ
Декоративна накладка клапанної кришки
Клапан вентиляції картера
Прокладка головки блока циліндрів
Комплект прокладок головки блока
Клапан VTEC
Прокладка клапана VTEC
Датчик тиску масла клапана VTEC
Клапан VCM
Блок циліндрів
Кривошипно-шатунний механізм
Піддон двигуна
Зливна пробка двигуна
Комплект прокладок блока циліндрів
Кривошипно-шатунний механізм
Палець поршневий
Колінчастий вал
Вкладиші корінні
Шатун
Вкладиші шатунні
Поршень
Поршневі кільця
Маховик
Шків колінчастого валу
Імпульсна пластина колінчастого валу
Упорні півкільця
Шестірня приводу ГРМ
Палець поршневий
Колінчастий вал
Вкладиші корінні
Шатун
Вкладиші шатунні
Поршень
Поршневі кільця
Маховик
Шків колінчастого валу
Імпульсна пластина колінчастого валу
Упорні півкільця
Шестірня приводу ГРМ
Піддон двигуна
Зливна пробка двигуна
Комплект прокладок блока циліндрів
Трансмісія
Трансмісія у зборі
Картер трансмісії
Підшипник трансмісії
Сальник первинного валу
Сальник піввісі
Бокова кришка трансмісії
Прокладка кришки трансмісії
Датчик режиму роботи трансмісії
Електромагнітний клапан трансмісії
Датчик обертання вала трансмісії
Датчик тиску оливи трансмісії
Прокладка електромагнітного кланана трансмісії
Роздатка
Карданний вал
Задній редуктор
Трансмісія у зборі
Картер трансмісії
Підшипник трансмісії
Сальник первинного валу
Сальник піввісі
Бокова кришка трансмісії
Прокладка кришки трансмісії
Датчик режиму роботи трансмісії
Електромагнітний клапан трансмісії
Датчик обертання вала трансмісії
Датчик тиску оливи трансмісії
Прокладка електромагнітного кланана трансмісії
Роздатка
Карданний вал
Задній редуктор
Гальмівна система
Супорт гальмівний передній
Супорт гальмівний задній
Педаль гальма
Датчик педалі гальма
Накладка педалі гальма
Підсилювач гальм
Трубка вакуумного підсилювача гальма
Блок ABS
Шланг гальмівний передній
Шланг гальмівний задній
Трос стоянкового гальма
Датчик ABS
Колодки гальмівні передні
Колодки гальмівні задні
Диск гальмівний передній
Диск гальмівний задній
Головний гальмівний циліндр
Супорт гальмівний передній
Супорт гальмівний передній у зборі
Ремкомплект переднього гальмівного супорта
Поршень переднього гальмівного супорта
Направляюча переднього гальмівного супорта
Пластина переднього гальмівного супорта
Супорт гальмівний передній у зборі
Ремкомплект переднього гальмівного супорта
Поршень переднього гальмівного супорта
Направляюча переднього гальмівного супорта
Пластина переднього гальмівного супорта
Супорт гальмівний задній
Супорт гальмівний задній у зборі
Ремкомплект заднього гальмівного супорта
Поршень заднього гальмівного супорта
Направляюча заднього гальмівного супорта
Пластина заднього гальмівного супорта
Супорт гальмівний задній у зборі
Ремкомплект заднього гальмівного супорта
Поршень заднього гальмівного супорта
Направляюча заднього гальмівного супорта
Пластина заднього гальмівного супорта
Педаль гальма
Датчик педалі гальма
Накладка педалі гальма
Підсилювач гальм
Трубка вакуумного підсилювача гальма
Блок ABS
Шланг гальмівний передній
Шланг гальмівний задній
Трос стоянкового гальма
Датчик ABS
Колодки гальмівні передні
Колодки гальмівні задні
Диск гальмівний передній
Диск гальмівний задній
Головний гальмівний циліндр
Рульове керування
Шланг ГПК
Рульове колесо
Рульова колонка
Рульова рейка
Наконечник рульової тяги
Рульова тяга
Пильовик рульової рейки
Хомут пильовика рульової рейки
Пильовик наконечника рульової тяги
Шайба дистанційна рульової рейки
Стопорна шайба рульової тяги
Насос ГПК
Радіатор системи ГПК Honda
Шланг ГПК
Шланг високого тиску ГПК
Шланг низького тиску ГПК
Шланг високого тиску ГПК
Шланг низького тиску ГПК
Рульове колесо
Рульова колонка
Рульова рейка
Наконечник рульової тяги
Рульова тяга
Пильовик рульової рейки
Хомут пильовика рульової рейки
Пильовик наконечника рульової тяги
Шайба дистанційна рульової рейки
Стопорна шайба рульової тяги
Насос ГПК
Радіатор системи ГПК Honda
Про нас
Доставка та оплата
+388097-528-45-78